销售热线:400-887-6230
服务热线:400-887-8230
在2002年就进入通用航空领域,2016年成功收购加拿大AVMAX公司,业务细分为航空制造、航空运营和航空运营商服务三大版块,初步形成全产业链布局的发展格局。已广泛应用于航拍航测、农林植保、电力巡线、公安警用等领域。
了解更多 +
山河智能依托多年来在工程装备机电液一体化技术、机器人技术、复杂环境适应性改进等方面的积累,瞄准各种特殊用途、恶劣环境开发量一系列特种装备,努力探寻差异化产品的自主开发道路,近年来完成了一系列具有鲜明特色的特种装备产品的开发。
了解更多 +
请搜索关注“山河智能”公众号,实时接收最新官方二手机车源信息。使用"山河智能官方二手机"小程序,参与线上竞价。平价抢好机!
了解更多 +
山河智能装备集团是中南大学何清华教授领衔于1999年创办,现已发展为以上市公司AG平台(以下简称“山河智能”证券代码:002097)为核心,以长沙为总部,以装备制造为主业,在国内外具有一定影响力的国际化企业集团,跻身于全球工程机械企业50强、世界挖掘机企业20强、世界支线飞机租赁前3强。
AG平台装载机遥控舱底盘招标由AG平台授权的招标小组实施。AG平台招标小组负责组织招标事务,并同中标供应商签定正式的购买合同。
本次招标,旨在通过公开邀请符合资质及技术要求的供应商进行综合评比,选择最符合本公司需求的供应商进行合作。本次招标组织实施过程中的所有事项,包括但不限于程序的设定、招标评标人员的选定、招标需求和评标标准的确定等,均由AG平台根据本公司及本次招标的实际需要确定并负责解释。AG平台对投标方提供之方案和价格有权全部、部分或放弃采纳;投标方提供之标书必须符合招标要求,如有不符事项必须注明。
欢迎广大合格投标人前来竞标。
本项目招标文件将于 2023年 10月15日至2023年10月22日 上午9:00时至11:30时,下午14:00时至17:00时(北京时间,下同),在湖南长沙星沙凉塘东路1335号山河工业城新办公楼四楼商务办公室发布,请投标人派人持本单位介绍信、营业执照(复印件)、经办人身份证前来报名(网络和微信报名可凭以上证件的扫描件报名!)。
整套文件的售价(含电子版)出售价格为 零 元( 不收报名费)。
招标公告发布地址:http://www.supastoves.com。
招标文件在报名资格审核通过以后,以邮件的形式发送给投标人
1、招标范围:
3.1 采购产品:装载机遥控舱底盘。
3.2 本次招标包含产品、售前、售中、售后服务;
3.3 本次招标价格包含增值税、产品包装、运费、保险等一切费用;
3.4 投标人的投标报价应基于以上范围,不可缺少;
2、招标产品标段和清单:
|
标段 |
品号 |
品名 |
机型 |
单台用量 |
年需求用量 |
|
1 |
807P90040000.S1 |
装载机遥控舱底盘-2023 |
SWL1751RC遥控装载机 |
1 |
100 |
备注:年采购量为计划采购量,具体交货数量以实际采购订单为准。
|
栏号 |
项 目 主 要 内 容 |
|
1. |
项目名称:山河智能装载机遥控舱底盘采购招标 |
|
2. |
投标货币:人民币 |
|
3. |
投标有效期:90天 |
|
4. |
投标保证金额:无 |
|
5. |
本标项目不组织前期集中联络和项目说明会 招标报名时间:2023年10月15日—— 2023年10月22日。 |
|
6. |
投标文件递交:AG平台 |
|
地址:湖南长沙星沙凉塘东路1335号山河工业城 |
|
|
7. |
投标文件递交截止时间:2023年10月27日(周五)上午9 时 |
|
8. |
开标时间:2023年10月27日(周 五)上午9时,公开开标 开标地点:湖南长沙星沙凉塘东路1335号山河工业城 |
|
9. |
特别说明:投标文件及开标一览表开标前统一递交,所有文件需按招标文件要求密封,投标概要须单独密封! |
招标人地址、项目联络人及联系方式
招标人商务联系人: 王强
联系电话:0731-86407775 ;邮政编码:410100 传真:0731-84020678
邮箱地址:wangqiang@sunward.com.cn
开 户 行:工行长沙金鹏支行
帐 号:1901018009004723270 税 号:91430000712164273J
B、AG平台有权根据招标情况对本次招标进行暂停、分标、终止等活动。
C、AG平台对招标文件有最终解释权。
AG平台 招标小组
2023年10月14日
第二章 技术要求
1、概述
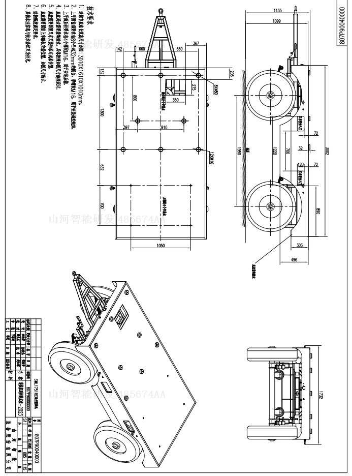
底盘用于装载机遥控舱,上装操作驾驶室及工具箱。
2、技术要求
(1)底盘为牵引杆式越野挂车,设置刹车、灯光;
(2)载荷≥2吨;
(3)底盘最小离地间隙不小于400毫米;
(4)具备牵引行驶接口,最大牵引速度不低于35千米/小时;
(5)出具牵引行驶可靠性第三方检测报告,试验要求:负载不低于1000kg,牵引行驶速度不低于35km/h,牵引行驶里程不低于500公里;
(6)结构件焊缝打磨光滑、无裂纹、气孔、夹渣等焊接缺陷,重要焊缝质量应符合JB/T 5943-2018中A类的要求。
(7)涂装技术要求:
①产品涂装与油漆属性:结构件部分喷涂底漆,面漆为GY06军车绿色(按甲方提供的色卡),漆膜厚度40~100μm。
②涂装前对属具机加面进行防护处理。
③涂层美观无脱落、锈蚀、露底、裂纹、气泡、咬底、针孔、缩孔、碰划伤等表面质量缺陷。
3、产品配置
详细配置最终以甲、乙双方会签确认的图纸为准。
下一页:山河智能轮胎保护履带招标公告